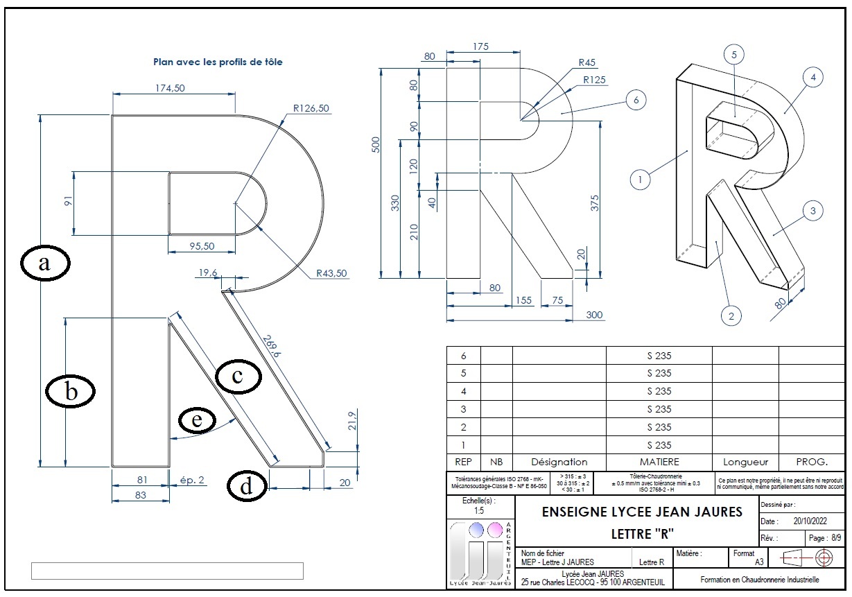
Le dessinateur s’est trompé ! Il a oublié des cotes sur le plan. Grace à l’échelle du plan, retrouver les cotes manquantes et compléter le plan.
Retrouvez la bonne cotes !
38°
214.4
503
258
57
a
b
c
d
e